Наши каналы
Сервис
Каталог оборудования
Блог / Новости
Статистика
Top.Mail.Ru
Яндекс.Метрика

Версия для печати Версия для печати


Консультация специалиста тел.: +7 (383) 215-25-79, 215-25-78, +7 (495) 585-15-75

Печатающие головки Premium HP TIJ 2.5

HSAJET® и HP TIJ 2.5 технология

Принтеры HSAJET® используют технологию TIJ 2.5 HP струйной печати, обеспечивая печать с высоким разрешением до 600 dpi для четкого текста, штрих-кодов.

Прочная и компактная конструкция

Печатающая головка изготовлена из жесткого анодированного алюминия с алюминиевой лицевой пластиной обработанной Нитридом
Хрома. Обработка Нитридом Хрома (CrN) формирует щит вокруг лицевой пластины, что позволяет поверхности быть устойчивой к износу, а также к
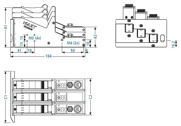
обладать высокой электропроводностью и низким коэффициентом трения. Более того, лицевая пластина окружает зону сопла, предотвращая турбулентность воздуха и обеспечивая оптимальное качество оттиска для высокоскоростной печати. По сравнению с другими головками, данная печатающая головка может быть размещена ближе к конвейерному ремню, так как расстояние от сопел до нижнего угла сведенна к минимуму. Боковая печать теперь может быть выполнена на расстоянии 16.2 мм к конвейеру.

Клавиатура с диодом на каждой отдельной печатающей головке

Независимо от того, из скольки картриджей состоит печатающая головка, каждый картридж может быть очищен при помощи клавиатуры на печатающей головке. Светодиодный индикатор загорается при низком уровне чернил и, сразу же после замены картриджа, может быть выключен, используя клавиатуру.

Ключевые особенности

• Функция Pulse warming • Прочная и компактная конструкция • Нет защелки: быстрая и простая замена картриджа • Кнопка очистки на печатающей головке • Датчик низкого уровня чернил и кнопка сброса на печатающей головке • Промышленные разъемы • Встроенный переключатель защиты печат. головки • Двусторонняя лицевая пластина для движения продукта влево и вправо • Простота в использовании. Не требуется специальной подготовки для работы и обслуживания

Ключевые особенности ПЕЧАТАЮЩИЕ ГОЛОВКИ PREMIUM

 1  Промышленные разъемы
Каждая печатающая головка
оснащена промышленными
разъемами для контроллера
и датчика. Кабель сигнала
печати соединен 6 пиновым
штекером.
Штекер 4 пин используется
для фотодатчика.
 5  Светодиодный сигнал
низкого уровня чернил и
кнопка сброса на каждой
печат. головке

Светодиодный индикатор
зажигается в случае низкого
уровня чернил. Индикатор
может быть выключен,
используя клавиатуру, сразу
же после замены картриджа.
 2  Встроенный
переключатель защиты
печат. головки

Встроенный переключатель
реагирует когда картридж
вставлен.
Когда картридж вынимается,
питание к контактам
разъемов картиджа
выключается.
 6  Быстрая и легкая замена
картриджа

Картридж легко помещается
и удерживается в
правильном положении без
защелки. Форма печатающей
головки предотвращает
повреждение штырьковых
разъемов и контактных точек
 3  Кнопка очистки на каждой
печат. головке

При помощи клавиатуры на
печатающей головке, каждый
картридж может быть очищен
отдельно.
Это уменьшает расход
чернил.
 7  Таже самая лицевая
пластина для левого
и правого движения
продукта

Если требуется
противоположное движение
печати, пластину можно
легко развернуть на 180°.
 4  Встроенный датчик
Датчик может быть
установлен прямо на
печатающей головке,
слева, справа или на обеих
сторонах!
Дополнительный
внешний датчик может
быть подключен для
горизонтальной либо особой
вертикальной печатной
работы.
 8  Направляющее колесо
Печатающая головка
подготовлена для монтажа
направляющего колеса.
Колесо может быть
эффективно использовано
с пружинным держателем
головы когда необходима
печать на материалах
различной толщины.

Безопасная и простая замена картриджа

Функция простого сдвига позволяет заменить картридж одной рукой без использования защелки. Конструкция обеспечивает правильность установки картриджа. Сочетание магнитов и пружины обеспечивает правильное положение картриджа при установке.

Стыкуемые компактные печатающие головки

Как положено, печатающие головки доступны с 1, 2, 3, 4, 6 или 8 картриджами. 10-и и 12-и картриджные печатающие головки доступны для некоторых приложений. Для дополнительной информации, обращайтесь к дистрибьютеру HSA Systems. Ряд 0.5" печатающих головок можно соединить вместе для того, чтобы достигнуть 5" матрицы печатающих головок. Это дает для наших обученных дистрибьютеров возможность изменить высоту печати на существующих конфигурациях путем добавления дополнительных печатающих головок к существующей. Это обеспечивает повышенную гибкость и полное использование ранее приобретенного оборудования, так как настоящая головка не заменяется, а используется повторно для выполнения новых требований.

Один кабель на 4 соединенных картриджа

В отличие от других соединительных печатающих головок, доступных на рынке, HSAJET® Premium печатающие головки разработаны для того, чтобы иметь больше комбинированных функций чем одиночный картридж, размещенный бок о бок. Печатающие головки соединены друг с другом так, чтобы передавать всю связь в один картридж, который распределяет данные через небольшой внутренний шлейф. Это уменьшает число кабелей. Соединяемые печатающие головки нуждаются в одном кабеле на каждые 4 картриджа. Один и тот же кабель используется для связи и питания.

20" листовая печать

Клиент попросил 20" струйный принтер, способный печатать строки и столбцы 2D QR-кодов и OCR с переменными данными для быстрого изготовления
большого количества этикеток. С установкой пяти 8-и картриджных Premium печатающих головок, прикрепленных на HS1500 mail table, существует возможность достижения печатной высоты до 20". 8-и картриджная печатающая головка гарантирует безупречные сшивание и выравнивание.

Печатающие головки ОТ 1 ДО 4 КАРТРИДЖНЫХ МОДЕЛЕЙ

gf1

Контроллеры ДЛЯ PREMIUM ПЕЧАТАЮЩИХ ГОЛОВОК

77 76
Наш Premium MTHP4 MiniTouch контроллер имеет
прочную конструкцию и подходит для использования в
суровых промышленных условиях.
MiniTouch контролирует печатающие головки, высота
печати которых достигает 50 мм и идеально подходит
для интеграции в упаковочные линии, листатели и
коллаторы.
CB6e плата основана на PCI express и может
контролировать высоту печати до 4". Для
дополнительной высоты печати, подключите
plug-board и высота увеличится на дополнительные
4", обеспечивая общую высоту печати 8" через одну
плату контроллера.
75 Контроллер Premium TIPC15 Touch является самым
компактным автономным сенсорным контроллером
печати, доступном на рынке и позволяющим
достигнуть высоты печати 100 мм (4").
Контроллер построен на PCI express на основе
HSAJET® CB6e плате контроллера.

Аксессуары PREMIUM ПЕЧАТАЮЩИЕ ГОЛОВКИ

 a1  Датчик продукта
Встроенный датчик может
быть установлен на любой
стороне печатающей
головки.
Смотрите спецификации на
последней странице.
 a4  Подпружиненный крепеж
печатающей головки

Используется когда
печатается на необычных
размерах продукта. Может
быть использован для печати
сверху и сбоку.
 a2  Направляющее колесо
Направляющее колесо
устанавливается используя
резьбовые отверстия на
боковой стороне печатающей
головки.
Болты включены.
 a5  Пластина для двойного
датчика

Некоторые установки требуют, чтобы
2 датчика могли быть установлены
вблизи печатающей головки, а также
на каждой ее стороне. Для этой цели,
мы предоставляем пластину с 2-мя
отверстиями датчика, доступными
для 1, 2 и 3-х картриджных
печатающих головок. Для
фармацевтических применений
доступна лицевая пластина
с дополнительной длинной
направляющей.
 a3  Чернильные картриджи
Черные и цветные
чернильные картриджи
доступны для пористых и
непористых поверхностей.
 a6  Распределитель
Одна печатающая головка
от 1 до 4 картриджей
может быть подключена
непосредственно к CB6e
плате контроллера и к CBplug
board.
Распределитель требуется
для подключения нескольких
одиночных печатающих
головок.

a7 Мосты
Мосты для установки печатающих головок для печати сверху
доступны в двух стандартных длинах, а также в размерах по
заказу покупателя. Две направляющие включены для крепления
печатающей головки.
Также доступны специальные крепления датчика и энкодера.
Крепления для печатающих головок
Данное крепление используется для установки печатающих
головок на мост для верхней печати. Крепление регулируется
по высоте, поэтому расстояние от печатающейголовки до
поверхности печати может быть точно отрегулировано. Для
печатающих головок с более чем 4-мя картриджами мы
рекомдуем крепление с двумя креплениями между двух мостов.

Размеры PREMIUM ПЕЧАТАЮЩИЕ ГОЛОВКИ

rr1
rrr 

Технические Детали PREMIUM ПЕЧАТАЮЩИЕ ГОЛОВКИ

Технология
HP TIJ 2.5
Высота печати
12.7-101.6 мм / ½"-4" / от 1 до
8 картриджей. Спрашивать
дистрибьютора HSA для других
приложений
Расстояние печати
0.5-5.0 мм, зависимо от чернил и
скорости, обычно 0.5-2.0 мм (от
сопла до поверхности печати)
Интерфейс
Контроллер: M16 6-pole female
socket
Датчик: M8 4-pole female socket
Сигналы
Включение (загорается зеленый
диод) Наличие картриджа
(зеленый диод)
Сигнал низкого уровня чернил
(красный)
Ошибка связи (загорается
красный диод)
Идентификация картриджа
(синий диод)
Вход датчика печати Кнопка очистки
Кнопка перезагрузки
Стандартные кабели
Черный кабель, Ø 6 мм AWG26 с
RJ45/6-pole DIN connectors,
доступные длиной 1м, 3м, 5м
и 10м
Рекомендуется использовать
данный кабель в большинстве
работ
Hi Power Cables
Желтый кабель, Ø 8 мм AWG22
с RJ45/6-pole DIN connectors,
доступные длиной 5м и 10м
Рекомендуется использовать
данный кабель для печатных
работ с высоким уровнем охвата
чернил

Распределитель
Распределитель требуется для
установок, используя контроллеры
на основе CB6e, когда соединены
более чем 2 отдельные печат.
головки

r1

Кабели для распределителя
Кабель для распределителя/CB6e,
с разъемами RJ45/RJ45
Доступны длиной 1 м, 3 м, 5 м
Рекомендуемая максимальная
общая длина кабелей между
контроллером и печат. головкой
10 метров

r2

Свяжитесь снашим техническим
персоналом для получения
дополнительной информации.

r3
*) Зависит от контроллера и программного
обеспечения

В соответствии с
CE директивами
Корпус
Анодированный алюминий
Лицевая пластина
CrN покрытый алюминий
Условия окружающей среды
Рабочая температура: 10-40° C
Влажность: 10-90%
Без конденсации

Аксессуары
Omron E3Z-LS83 distance-setable PNP
photoelectric sensor 2-80 mm
• Направляющее колесо
• Датчик продукта
• Пластина для двойного датчика
• Распределитель
• Крепления для печат. головки
• Telescope монтажный набор
• Подпружиненный крепеж
• Мосты
• HP45 чернильные картриджи

Вы можете задать нам вопрос с помощью следующей формы

Имя Отчество:

Email

Ваш вопрос относительно - Печатающие головки Premium HP TIJ 2.5 :


Введите число, изображенное на рисунке
code

Я даю согласие на обработку персональных данных и принимаю условия политики обработки персональных данных

Мы гарантируем, что персональные данные, которые вы нам сообщаете,
будут использованы исключительно для обработки ваших вопросов.
(На основании Федерального Закона от 27.07.2006 № 152-Ф3 "О персональных данных")

наверх

© Принтинг-Групп - надёжное оборудование для маркирования нестираемых идентификационных надписей.